有关交流电压测量电路的工作原理,交流电压测量电路中的整流装置与交流电流测量电路中的整流装置相近,交流电压测量原理与频率影响补偿电路等。
交流电压测量电路的原理
一、交流电压测量电路
磁电系仪表不能直接用来测量交流电,必须配有整流电路才能测量交流电,交流电经过整流,变成直流脉动电流后才能在直流电表上显示出来。
交流电压通常是用有效值来表示的,所以万用表的标尺也是指有效值。但是整流后的电流是平均值,故需要考虑整流元件的效率。
确定整流电路的总效率后,再计算交流电压灵敏度,就可计算出各档的内阻了。
交流电压测量电路如图,图中RS为直流电流档的分流电阻,V1、V2为整流元件,R11~R14为各电压测量档的降压电阻,有的万用表还采取降压电阻与直流电压档混合联接的方式。

图1 交流电压测量电路
二、交流电压测量电路的工作原理
交流电压测量电路中的整流装置与交流电流测量电路中的整流装置相似。
因而在具有交流电流和交流电压测量功能的万用表中都是共用一套整流器件。
交流电压测量中,扩大量程用的倍率器结构与直流电压测量用的倍率器相同(由倍率电阻组成的等比例变值电路被称为倍率器;由于电阻具有时间常数的特性,所以倍率器也具有时间常数的特性),如图1所示。
一般万用表都采用先降压后整流的方式。

图1 交流电压测量原理
a)串阻抽头半波整流式 b)串阻抽头全波整流式 c)独立分挡半波整流式 d)独立分挡全波整流式
测量交流电压时,其工作频率提高时,由于倍率器的时间常数不同和电路的分布电容会使仪表产生附加误差。来自:电工技术之家
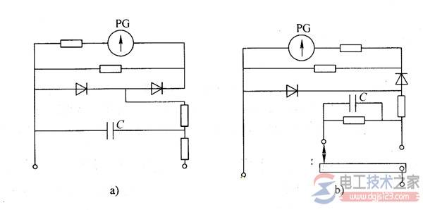
在有些万用表中,高电压挡采用电容补偿法来扩大频率范围,若当频率增加时,需要仪表读数同时增加,可采用频率影响负补偿电路,如图2a所示;若频率增加时,需要仪表读数减小,
可采用频率影响正补偿电路,如图2b所示。

图2 频率影响补偿电路 a)负补偿电路 b)正补偿电路
由于受整流二极管非线性的影响,二极管的非线性电阻与扩大量程用电阻间的差值越大,则表现在刻度上的影响越小;
当低电压时,扩大量程电阻值减小,使二极管的非线性电阻影响电路明显,为了补偿这个原因,将交流刻度绘成高压和低压二种,以适应各自的需要。
如果要用一条刻度完成零点几伏至数千伏的电压量指示,则必须采用两种电压灵敏度补偿方法。
图3就是补偿的一个典型例子,在7.5V、15V挡时,电压的灵敏度是133Ω/Ⅴ;在75~600Y各挡时,电压的灵敏度是20000/V,这样使一条刻度线完成了0.5~600V的电压测景范围。即低压时采用低灵敏补偿电路;高压时采用高灵敏补偿电路。