有关电流互感器的接线方法,主要有四种接线方式,包括单台电流互感器的接线方式,三台互感器的星形接线方式,两台互感器V形接线方法,有需要的朋友参考下。
电流互感器的接线方法
1、一台互感器的接线方式

图1,单台互感器的接线方法
主要用于测量对称三相电路中线路上的电流。
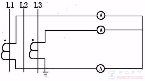
2、三台互感器星形接线方法

图2,星形接线方法
主要用于测量对称和不对称三相电路(包括三相四线)中线路上的电流。
3、两台互感器V形接线方法

图3,V形接线方法
用于测量对称和不对称三相三线电路中线路上的电流,也可用于继电保护接线,但灵敏度低。
三相电流矢量和为零,最下面电流表测量的是未装互感器那相的电流。

图3,两台互感器电流差接线法,用于线路、电机、并联电容器的继电保护接线,灵敏度较高。
以上就是电流互感器的几种接线方法,希望对大家有所帮助。