几种常见的电压互感器的接线方式
一、用一台单相电压互感器来测量某一相对地电压或相间电压的接线方式

二、用两台单相互感器接成不完全星形,也称V—V接线,用来测量各相间电压,但不能测相对地电压,广泛应用在20KV以下中性点不接地或经消弧线圈接地的电网中。

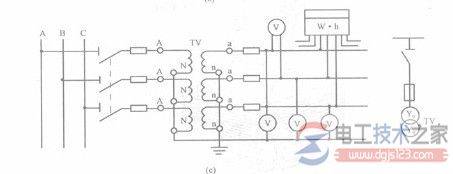
三、 用三台单相三绕组电压互感器构成YN,yn,d0或YN,y,d0的接线形式,广泛应用于3~220KV系统中,其二次绕组用于测量相间电压和相对地电压,辅助二次绕组接成开口三角形,供接入交流电网绝缘监视仪表和继电器用。用一台三相五柱式电压互感器代替上述三个单相三绕组电压互感器构成的接线,除铁芯外,其形式与图3基本相同,一般只用于3~15KV系统。
四、电容式电压互感器接线形式。
在中性点不接地或经消弧线圈接地的系统中,为了测量相对地电压,PT一次绕组必须接成星形接地的方式。
在3~60KV电网中,通常采用三只单相三绕组电压互感器或者一只三相五柱式电压互感器的接线形式。
注意,不能用三相三柱式电压互感器做这种测量。
当系统发生单相接地短路时,在互感器的三相中将有零序电流通过,产生大小相等、相位相同的零序磁通。(电工技术之家 www.dgjs123.com)在三相三柱式互感器中,零序磁通只能通过磁阻很大的气隙和铁外壳形成闭合磁路,零序电流很大,使互感器绕组过热甚至损坏设备。而在三相五柱式电压互感器中,零序磁通可通过两侧的铁芯构成回路,磁阻较小,所以零序电流值不大,对互感器不造成损害。
电压互感器开口三角接线图

五、一个单相电压互感器的接线图

这种接线方式在三相线路上,只能测量某两相之间的线电压,用于连接电压表、频率表及电压继电器等。
六、两个单相电压互感器的接线方式
这种接线方式又称不完全星形接线,可以用来测量三个线电压,供仪表、继电器接于三相三线制电路的各个线电压。‘

这种接线方式又称不完全星形接线,可以用来测量三个线电压,供仪表、继电器接于三相三线制电路的各个线电压。
7.三个单相电压互感器Y。/Y。形接线

电压互感器Y/Y形接线
这种接线方式能满足仪表和微机保护装置选用相电压和线电压的要求。在一次绕组中点接地情况下,也可装用绝缘监察电压表。
八,三个单相三绕组电压互感器或一个三相五芯柱三绕组电压互感器Y/Y/
△(开口三角形)接线。

这种接线方式在10kV中性点不接地系统中应用广泛,它既能测量线电压、相电压并能组成绝缘监察装置和供单相接地保护用,接成Y。
形的二次绕组称为基本二次绕组,用来接仪表、继电器及绝缘监察电压表;接成(开口三角形)的二次绕组,称为辅助二次绕组,用来连接监察绝缘用的电压继电器。
在系统正常运行时,开口三角形两端的电压接近于零,当系统发生一相接地时,开口三角形两端出现零序电压,使电压继电器吸合,发出接地预告信号。