如何用一个按钮控制接触器的启停,这个一键启停的电路,需要了解清楚电路图,来看下以前的电路图是怎么工作的。
如下图:

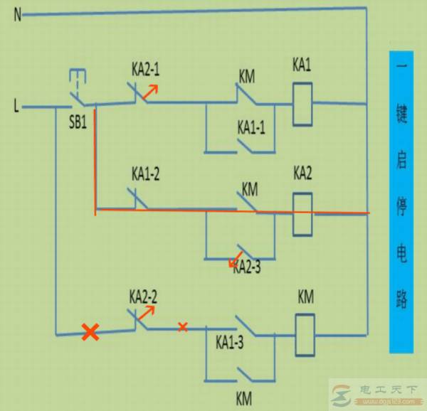
当按下启动按钮SB1后→KA1线圈延KA2-1→KM常闭→KA1线圈→零线,KA1-2断开,KA1-1闭合,KA1-3闭合→KM得电并自保。


松开按钮SB1,后面电路不通,单km得电吸合,电机开始工作。同时,km两个辅触点在电路图中已改变状态。
当再第二次按下,按钮SB1时,由于km常闭触点已断开,所以中继ka1不能得电。电路到此为止,后面不能过去。
但ka2此时能得电动作,借km常开辅触点,此时处于闭合状态,所以ka2得电动作。

图4:ka2得电

图5:一键启停电路5
ka2得电动作时,相关辅助触点也会发生动作,所以ka2-2断开,km失电,电机停转。km所有辅助触点恢复,准备下一次。km失电,电机停转。所有辅助触点恢复,为下一次启动作准备。至此一键启停完成一次完整动作,并且可以一直循环操作下去。