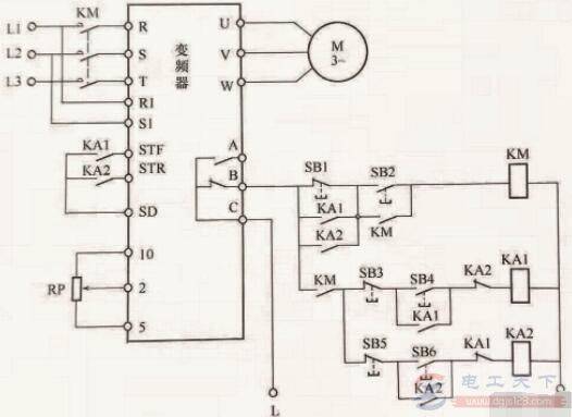
有关变频器的电路接线图,变频器外接继电器实现正反转控制,应该如何设计电路,怎么来实现正转(SB4)和反转(SB6,KA2与KA1形成互锁电路),下面与电工天下小编一起来看下。
变频器外接继电器控制正反转电路
如下图:

1、变频器通电(按钮SB2)

2、正转(SB4)

3、反转(SB6,KA2与KA1形成互锁电路)

4、调速

5、变频器保护

6、电动机停止(SB3或SB5)

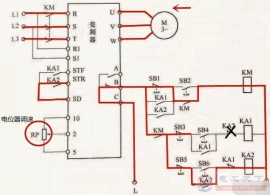
有关变频器的电路接线图,变频器外接继电器实现正反转控制,应该如何设计电路,怎么来实现正转(SB4)和反转(SB6,KA2与KA1形成互锁电路),下面与电工天下小编一起来看下。
如下图:

1、变频器通电(按钮SB2)

2、正转(SB4)

3、反转(SB6,KA2与KA1形成互锁电路)

4、调速

5、变频器保护

6、电动机停止(SB3或SB5)
