在电热水壶中要用到温度传感器这个配件,有了它才能保证高效率的工作,但如果这个配件损坏了,应该怎么办,以下是电水壶温度传感器坏了的解决方法,供大家参考。
电水壶温度传感器坏了怎么解决
电水壶是厨房中不可缺少的小电器,可以在极短的时间内喝到热水,只需要插上电等几分钟就可以了。

电水壶温度传感器换掉了怎么处理,它就是一种用双金属片制作的热敏器件,主要功能是将温度控制在一个合理的范围内,不出现过高或过低的曲折。
当温度低时会朝一个方向弯曲,温度达到规定值时就向另一个方向弯曲而停止加热。于是,电水壶才会在该加热时进行升温,当水温达到一定程度后,就会自动断开加热。
电热水壶的工作原理:在电水壶通电之后,交流电源的火线端经热熔断器FU加到煮水加热器EM和保温加热器EH2的一端,电源的零线端经温控器ST加到煮水加热器的另一端,同时交流电源的零线端经二极管VIE℃和选择开关SA加到保温加热器EH2的另一端。使煮水加热器和保温加热器两端都有交流电压,从而开始加热。以上就是电热水壶的工作全过程。
以上介绍了温度传感器的重要性,它是水壶的灵魂,一旦坏掉了不能拆改或维修,需要更换一个新的才行。
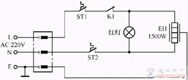
电水壶的电路原理分析与检测方法

电水壶的基本功能是烧水,电水壶按结构分为一体式和分体式两种,按功能分为非保温型和保温型两种,这里介绍了电水壶的电路原理分析与检测方法,有需要的朋友参考下。
家用电水壶坏了怎么办?

有关电水壶的故障维修方法,家用电水壶坏了怎么办,应检查是什么原因引起的,开关按下后不起作用,拆开把手里边的线路和按钮均没有问题,则需要检查下是不是底座的电路有问题。