●
首页
>
玩转家电
>
电器维修
>
二例能耗制动电机控制的电路图
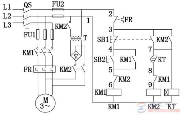
分享二个能耗制动电机控制的电路图,通过本例中的电路图,来学习下能耗制动电机控制电路的设计方法。
能耗制动电机控制的电路图
1、控制电路一
2、控制电路二
上一篇:
一例电动机复合互锁控制的正反电路图
下一篇:
电气图纸设计之功能性文件用电气图形符号
热点内容
·
绿源电动车明明有电但走不了是什么原因
·
开空调时有一股酸臭味的常见原因
·
网线中哪几根线最重要
·
电烙铁的四大常见故障
·
空调外机脏了能不能用水冲洗
·
电饭锅坏了去哪维修,电饭锅维修你要知道的
·
太阳能热水器冬天冻了怎么解冻
·
家装水电材料安装预算清与价格计算方法
·
储水式电热水器电源指示灯不亮无热水怎么办
·
一例8极漏电开关的接线图