●
首页
>
玩转家电
>
电器知识
>
塔机电气控制柜电气原理接线图
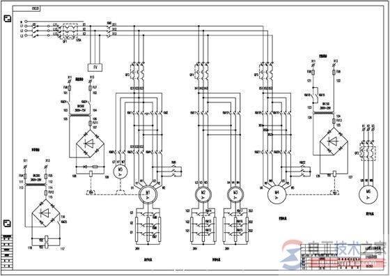
有关塔机电气控制柜电气原理图,学习下塔机电气控制柜的接线方法,简单实用的一个塔机电气控制柜电气原理图,感兴趣的朋友参考下。
塔机电气控制柜电气原理图
如图:
上一篇:
如何安装配电盘,配电盘安装注意事项
下一篇:
高低压开关柜的主要结构类型
热点内容
·
电压增高电流会不会增大
·
房屋装修开关安装布局技巧
·
变频器谐波怎么消除,有哪些对策?
·
高压进线柜送电操作规程与要求
·
电气线路敷设方式标注符号说明
·
什么是电压,什么是电流
·
维修电工技师试题一份
·
电动机空载电流不平衡三相相差大的故障问题
·
380V载流量的计算公式
·
电力电缆线路试验规程及试验周期