当只有单相电源和三相异步电动机供使用时,可以采用并联电容的方法将三相异步电动机改为单相运行,具体改造方法如下文介绍,有需要的朋友参考下。
三相异步电动机改为单相运行线路
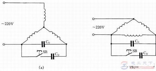
如图1,图(a)为Y形接法电动机连接方法,图(b)为△形接法电动机连接方法。把启动电容CQ在启动时接入线路中,在启动完毕后退出,可以提高启动转矩。

图1:三相异步电动机改为单相运行线路
工作电容CG容量的计算公式:CG=1950I/Ucosφ(μF)
上式中:I为电动机额定电流,U为单相电源电压,cosφ为电动机的功率因数。当计算出工作电容之后,启动电容可以选用工作电容的1~4倍。
三相电动机单相运行连接方式与电容器容量选择

有关三相电动机单相运行连接方式与电容器容量选择,分为三相绕组的三角形连接,三相绕组的星形连接二种方式,电容器的容量值的选择如表中所示。
怎么将三相异步电动机改为单相运行线路

在只有单相电源和三相异步电动机供使用时,可以采用并联电容的方法使三相异步电动机改为单相运行。图(a)为Y形接法电动机连接方法,图(b)为△形接法电动机连接方法。为了提高启动转矩,将启动电容CQ在启动时接入线路中,在启动完毕后退出。