有关发光二极管的小知识,发光二极管是一种常见的电子元器件,在生活中用途广泛,这里介绍了发光二极管的4种特殊用法,供业作电子爱好者学习参考。
发光二极管的特殊用法

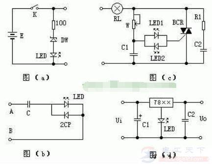
图(a):用发光二极管LED监视电池电压的应用电路。电路中稳压管DW的稳压值应选电池额定电压的70%左右。
图(b):LED用在220V、50Hz市电中,作为电器具工作指示或保险丝熔断指示。
图(c):将两只LED反向并联,用在移相式可控硅调压电路中代替双向触发二极管。
图(d):用在固定输出三端稳压电路中用以提升输出电压。可兼作电源指示。
发光二极管通电后无法点亮是什么原因

有关发光二极管的使用问题,发光二极管在通电后,不能正常点亮,导致发光二极管无法正常工作,那么发光二极管通电后无法点亮的原因有哪些,与电工天下小编一起来了解下。
发光二极管正负极的判断方法详解

有关发光二极管的知识,怎么来区分发光二极管的正极与负极,这里介绍了万用表判断发光二极管正负极的方法,一种简单有效的方法,有需要的朋友参考下。
发光二极管的发光原理,发光二极管的种类和符号

在很多电器中都有发光二极管,发光二极管可以直接能把电能转变为光能,是一种常用的半导体器件,这里介绍了发光二极管的工作原理,以及发光二极管的不同种类,以及在电路中符号等内容,有需要朋友参考下。