有关绘制电气原理图的方法,绘制电气控制线路图,如何画出电气原理图,包括图形符号绘制、图形符号块定义、定义块对话框、定制工具选项板等步骤。
绘制电气原理图的方法
绘制电气控制线路图是积累工作资料的一项重要内容,可采用辅助绘图软件提高工作效率。
AutoCAD2006是常用的电气辅助设计软件之一。
利用AutoCAD2006的工具选项板,将电气图常用电气图形文字符号定制在工具选项板中,提高电气图绘制速度。绘制电气原理图的方法
1、图形符号绘制:
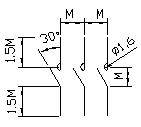
交流接触器主触头的图形文字符号定制时先设计主触头图形尺寸,为了与其它电器元件对应尺寸一致,尺寸参考设计为:基本间距M=4.8mm,倾角a=30°,触头触点直径d=1.6mm,其余线间距取0.75M、1.5M等。

接触器主触头图形尺寸
电气图常用图形尺寸设计后,在AutoCAD 2006环境下,绘制电气图常用图形及文字符号,见图。

电气图部分常用图形文字符号
2、图形符号块定义
选择菜单项“绘图”∣“块”∣“创建”,即执行block命令进行,在弹出的“块定义”对话框,按图设置。

3、定义块对话框
块的命名应具有一定的含义并方便记忆,例如主触头块名取为KMM-3V(KM表示接触器,M表示主触头, 3表示3极,V表示竖式布置),单击“拾取点”按钮后,在AutoCAD绘图界面中拾取图中第1条竖线的上端点作为块基点,自动回到“块定义”对话框。
单选“转换为块”单选按钮,再单击“选择对象”按钮,又回到AutoCAD绘图界面中。选择所有接触器主触头图形后右击,AutoCAD自动回到“块定义”对话框,填写说明文字后单击对话框中的“确定”按钮,完成块定义。
所有电气图常用图形文字符号块定义完成后,给文件取名(例如取名为电器图形文字符号库),然后保存到磁盘(如存在D盘)。
4、定制工具选项板
选择菜单项“工具” ∣“设计中心”,或单击标准工具栏上“设计中心”快捷按钮,AutoCAD2006弹出“设计中心”窗口。

5、显示命名对象项
在窗口左边的文件列表夹中找到“电器图形文字符号库.dwg”文件,窗口右边会显示对应的命名对象项,右击文件名“电器图形文字库.dwg”文件,从弹出的快捷菜单中选择“创建工具选项板”,即可在工具板中创建新选项卡。
创建电器图库选项板后,在工具选项板上右击,在弹出的快捷菜单中选择“重命名选项板”,将该选项板命名为“电气”,选取某一图形文字符号,将之拖到AutoCAD绘图界面中,就可将该电气图形文字符号插入到当前图形。

创建后的电器图库工具选项板