在控制照明灯时,如何来实现在两地控制一盏灯,一般是在楼梯上的照明灯,需要做这种异地控制,具体要求是:在楼上、楼下都能控制灯的开与关。
两地控制一盏灯的线路图
实现方法:
用两根导线,把两只开关连接起来,这种接线方法在家庭装修控制照明灯中较为常见,接线方法见图(a)。

图1,两只双连开关在两地控制一盏灯线路
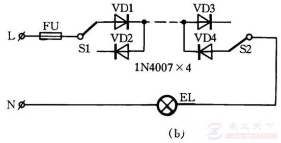
还有一种接线方法:在两个开关之间节省一根导线,也可以达到两只开关控制一盏灯的效果。此种接线方法适用于两开关相距较远的场所。
缺点:线路中串接了整流管,会降低灯泡的亮度,多用于亮度不高的场所,如图(b)。

图2,两只双连开关在两地控制一盏灯线路
以上就是用两只双连开关实现两地控制一盏灯的线路图,希望对大家有所帮助。