有关声光控自动照明灯的电路图,介绍了一款声光控自动照明灯电路的结构组成,以及不同电路的工作原理,包括电源电路、光控电路、声控电路等的原理说明,有需要的朋友参考下。
声光控自动照明灯的电路图
如下图:

以下是一个声光控照明灯电路图,见下图:

该电路主要由电源电路、光线检测放大电路、声音检测放大电路、晶闸管及其触发电路、照明灯构成。
1、电源电路
市电电压通过照明灯L输入到D1~D4构成的桥式整流电路,经整流后产生的脉动直流电压不仅为单向晶闸管供电,而且通过R3限流、C滤波产生15V左右的直流电压,为声控电路和光控电路供电。由于该电源产生的电流较小,所以仅有微弱的电流流过照明灯L,它不会发光。
2、光控电路
光控电路由光敏二极管D、三极管Q3构成。当光线较强时,光敏二极管D的阻值较小,使Q3导通,致使Q2截止。Q2截止后,D1~D4输出的电压通过R2加到Q1的b极,使Q1导通,单向晶闸管因G极没有电压输入而截止。此时,市电输入回路不能形成大电流,照明灯L不能发光,从而避免了L在光线较亮时点亮。
当光线较暗时,D的阻值增大,使Q2截止,解除对放大管Q2的b极电位的控制,Q2才能进入工作状态。
3、声控电路
声控电路由驻极体话筒MIC、电容C2、放大管Q4、电阻R7~R9构成。
在光线较暗,且有MIC接收到一定强度的声音后,MIC输出低电平脉冲信号,通过C2使Q4截止,致使Q2导通。Q2导通后,C1存储的电压通过Q2、R5放电,为Q1的be结提供反偏置电压,使Q1截止,单向晶闸管G极有触发电压输入,单向晶闸管导通,使市电输入回路有大电流流过,该电流将照明灯L点亮。
触发的声音消失后,Q4恢复导通,致使Q2截止,但由于C1需要充电,使Q1维持1min左右的截止后导通,使单向晶闸管截止,照明灯L熄灭。
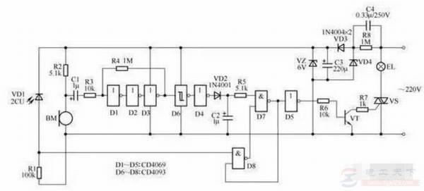
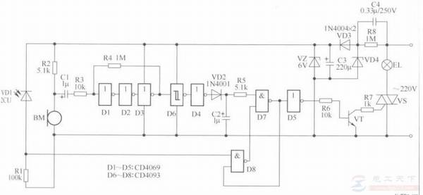
声光控自动照明灯的电路原理图
一种智能灯具,只在夜晚有人时自动开灯,人走后即自动关灯,既满足了照明的需要,又最大限度地节约了电能。
声光控自动照明灯的电路图:

主要元器件使用了数字集成电路,简化了电路结构,提高了工作可靠性。
声光控自动照明灯的电路工作原理:
(1)光敏二极管VD1等组成光控电路。
白天由于环境光很亮,VD1导通,D8输出低电平封闭了与非门D7,照明灯泡EL不亮。夜晚VD1截止,D8输出高电平开启了与非门D7,灯泡EL亮或不亮取决于声控电路。
(2)驻极体话筒BM等组成声控电路。没有行人时灯泡EL不亮。
当有行人接近时,行人的脚步声或讲话声由话筒BM接收、D1~D3放大、D6整形、D4倒相后,经过与非门D7使开关管VT和双向晶闸管VS导通,照明灯EL点亮。
(3)VD2、C2等组成延时电路。
当声音信号消失后,由于延时电路的作用,照明灯EL将继续点亮数十秒后才关闭。
(4)与非门D7输出端的信号又回送至光控门D8,在灯泡EL点亮时封闭光控电路信号,这样即使本灯的灯光照射到光敏二极管VD1上,系统也不会误认为是白天而造成照明灯刚点亮就立即关闭。
该灯电路可以安放在灯座中,外表只留感光孔和感声孔,如图所示组成一个整体,尤其适合安装在楼梯、走廊等公共场所。