高压三相三线电能表经互感器的接线图
如下:



高压三相三线有功电能表经电压互感器和电流互感器的接线方式,适用于10KV、35KV电网(中性点非有效接地电网)。
高压三相三线有功电能表经电流互感器、电压互感器接线时,需要接7根线:四根电流线、三根电压线。
正确的接线图:

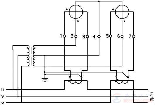
高压三相三线电能表经互感器的接线图
如下:



高压三相三线有功电能表经电压互感器和电流互感器的接线方式,适用于10KV、35KV电网(中性点非有效接地电网)。
高压三相三线有功电能表经电流互感器、电压互感器接线时,需要接7根线:四根电流线、三根电压线。
正确的接线图:
