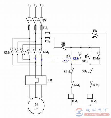
正反转星三角降压启动的电路图
一个带接触器联锁的正反转接线图,以及星三角降压启动的原理图,星三角降压启动接线图。
见下图:




星三角启动电路实物接线图

几个星三角启动的电路实物接线图,整个接线图中包括停止按钮、启动按钮、时间继电器与电动机接线盒等设备,需要的朋友参考下。
电机星三角启动电路实物接线图详解

有关电机星三角启动电路的原理,电机星三角启动电路的接线图,避免因接错线而造成星角启动失败的问题,通过具体的实例来分析电机星三角启动电路的正确接线方法。
三菱plc星三角降压启动控制的编程实例

三菱plc星三角降压启动控制的编程实例,三菱plc编程的例子,包括星-三角降压启动控制的继电控制电路图、plc星-三角降压启动控制梯形图程序、plc星-三角降压启动控制指令表程序等。