本文介绍了车载逆变器的电路组成,以及车载逆变器电路的工作原理,不同的控制电路实现的功能作用是什么,帮助大家了解车载逆变器电路图及工作原理,有需要的朋友参考下。
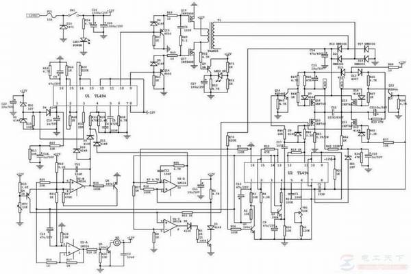
车载逆变器的电路原理图

车载逆变器的整个电路分为两大部分,每部分各采用一只TL494或KA7500芯片组成控制电路。
第一部分电路的作用:将汽车电瓶等提供的12V直流电,通过高频PWM (脉宽调制)开关电源技术转换成30kHz-50kHz、220V左右的交流电;
第二部分电路的作用:利用桥式整流、滤波、脉宽调制及开关功率输出等技术,将30kHz~50kHz、220V左右的交流电转换成50Hz、220V的交流电。
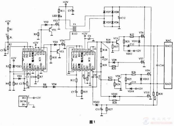
车载逆变器电路图及工作原理

车载逆变器指标:
输入电压:DC 10V~14.5V;
输出电压:AC 200V~220V±10%;
输出频率:50Hz±5%;
输出功率:70W~150W;
转换效率:大于85%;
逆变工作频率:30kHz~50kHz。
常见车载逆变器电路图及原理详解

有关车载逆变器的相关知识,介绍了车载逆变器的主要技术指标,一款最常见的车载逆变器电路图,以及该车载逆变器的工作原理,有需要的朋友参考下。
一文看懂车载逆变器电路图

有关车载逆变器电路图的相关知识,介绍了常见车载逆变器电路及工作原理,给手机充电的各种DC-AC逆变器,行车记录仪及直接将12V转换为5V的DC-DC转换器,一起来了解下。